Научно-исследовательская деятельность
Научная работа в ООО «Энергосибинжиниринг» является неотъемлемой составляющей его деятельности. Опытные инженеры в ходе работ создают новые продукты, улучшают существующие технологии и решают сложные инженерные задачи. Результатом этих усилий часто становится создание инновационных технологий и продуктов, способных изменить отрасль.
Инновации в проектах

За многолетнюю историю ООО «Энергосибинжиниринг» неоднократно решала сложные технические задачи, такие как:
- разработка опытно-конструкторских решений повышения выработки ветряной станции «Салхит»:
Ветряной парк Салхит
- выбор средств ограничения внутренних перенапряжений и резонансов сетей среднего класса напряжения городских электрических сетей:
Рисунок 1.1 - Статистика причин приводящих к авариям в распределительной сети в 2013 г. ПАО «Россети»
Рисунок 1.2 –Зависимость величины тока плавления от диаметра провода
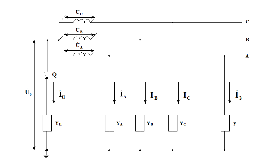
Рисунок 1.3 – Схема замещения распределительной сети при замыкании фазы на землю
Было
Стало
Наш коллектив состоит из высококвалифицированных научных сотрудников с многолетним опытом работы. Руководитель компании, Алексей Александрович Кузьмин, также является ассистентом кафедры «Безопасности жизнедеятельности» на факультете Энергетики Новосибирского государственного технического университета (НГТУ).

Образование и достижения:
  • Магистр кафедры Техники и Электрофизики Высоких Напряжений, факультет Энергетики, НГТУ.
  • В 2015 году были подготовлены материалы диссертации, успешно пройдена предзащита.
  • Работа Алексея Кузьмина была признана лучшей научной работой года на конкурсе молодых ученых мэрии г. Новосибирска.
  • В 2016 году был получен патент на изобретение устройства для компенсации гармонических искажений.
  • В этом же году устройство прошло апробацию и получен акт внедрения.
  • В период с 2017 по 2020 годы в соавторстве было разработано и получено 9 патентов на полезные модели.

Опыт и публикации:
  • 6 лет непрерывного стажа в научно-исследовательском отделе, из них 3 года в должности ведущего научного сотрудника.
  • 13 лет научно-педагогического стажа.
  • Подготовлено 18 научных статей, включая публикации в международных изданиях.

Технологии и инструменты: Для проведения исследований и разработки инновационных решений используется программа EMTP — универсальная система программирования для цифрового моделирования электромагнитных и электромеханических переходных процессов. С её помощью моделируются сложные сети и системы управления, анализируются коммутационные и грозовые перенапряжения, исследуются координация изоляции, релейная защита, гармонический анализ и многое другое.

Целью компании является реализация государственных программ развития страны:
ООО «Энергосибинжиниринг» на протяжении 5 лет участвует в разработках и внедрении солнечной, ветряной и малой гидрогенерации для потребностей развития регионов на основе экологически чистых источников энергии. Наши компетенции и опыт научно-исследовательской и опытно-конструкторской работы позволяют решать трудные технические задачи для подбора и оптимизации наиболее эффективного решения для каждого внедрения.
Компания предлагает услуги девелопмента проектов ВИЭ «под ключ» от идеи
до стадии строительства.
Экологическая – исполнение Указа
Президента РФ от 04.11.2020 № 666 "О сокращении выбросов парниковых газов"
Энергетическая – исполнение
распоряжения Правительства РФ
№ 1715-р от 13.11.2009 г.
Обеспечиваем комплексное сопровождение проектов для превращения идеи или потребности в качественно проработанный проект.
Квалифицированное сопровождение процессов получения исходно-разрешительной документации, преференций, земельных участков, структурирования инвестиций, проектирования и др. в роли агента или представителя Заказчика. Результатом нашей работы является готовый к финансированию строительства проект, соответствующий уровню «Ready to Build».
Услуги предоставляются в сегменте В2В и В2С для предприятий и гражданских потребителей. Разработана собственная методика расчета и оптимизации проектов. Реализация проектов позволяет кратно сэкономить затраты на электроэнергию. Наши решения позволяют не только создавать новые экосистемы, но и успешно интегрировать в действующие электрические сети.
Разработка проекта документации объектов энергетики, включает в себя:
1

определение места строительства для оптимизации вкладываемых ресурсов

2
подбор оборудования

3
расчет суммы инвестиций, необходимых для строительства объекта
4
расчет экономической модели объекта
5
согласование условий приобретения – лизинг, кредит
6
оценка воздействия на окружающую среду
7
разработка технологического решения

8
получение заключения экологической экспертизы
9
сопровождение приобретения оборудования и материалов в соответствии с утвержденном техническими заданием
10
производства строительно-монтажных и пуско-наладочных работ
Инновации в строительстве
Ежегодно ООО «Энергосибинжиниринг» принимает участие в реализации проектов инновационной программы развития энергосети: установка реклоузеров, систем заземления нейтрали, удаленных приборов учета, апробация новых несущих конструкций – широкий кругозор специалистов позволяет выполнять работы связанные со всеми видами работ.
Наши достижения и патенты
Каждое из наших достижений – это результат упорной работы, инновационного мышления и стремления к совершенству. В этом разделе вы можете ознакомиться с сертификатами, грамотами и патентами, подтверждающими наш вклад в развитие энергетической отрасли. Мы гордимся тем, что наши разработки не только признаны научным сообществом, но и находят практическое применение, повышая эффективность и надежность энергетических систем.

Фотографии наград и лицензий являются свидетельством высокого уровня компетенции и профессионализма нашего коллектива. Эти документы отражают наш непрерывный процесс поиска новых решений, направленных на улучшение качества и безопасности энергоснабжения.